Болты с круглой головкой и квадратным подголовком ASME B18.5.2.1M
Продукт:Болты с круглой головкой и квадратным подголовком ASME B18.5.2.1M
Класс недвижимости: 4.6, 4.8, 5.6, 5.8, 8.8, 10.9, 12.9,
А-70, А4-70, А4-80
Отделка: цинковое покрытие (желтый цинк, синий цинк, цветной краситель), черное, фосфатирование и масло, фосфатирование цинка, горячее цинкование (HDG), Dacromet, Geomet
Материал:Сталь
Страна экспорта: США, Япония, Австралия, Европа и т.д.
Поддержка настройки клиента
ASME B18.5.2.1M — это стандарт болтов и гаек, разработанный Американским обществом инженеров-механиков (ASME) специально для подробных спецификаций и размеров болтов с круглой головкой и квадратным подголовком. Болты с квадратным подголовком и круглой головкой имеют круглую головку и квадратный подголовок, конструкция, обычно используемая в приложениях, требующих особой формы головки и конфигурации подголовка. Квадратный подголовок позволяет использовать специальные инструменты, такие как гаечный ключ или патрон для гаечного ключа, для поворота болта, особенно когда пространство под головкой ограничено или когда требуется повышенная эффективность передачи крутящего момента. Болты с квадратным подголовком и круглой головкой обычно используются в строительстве, машиностроении, автомобилестроении и других областях, где требуются высокопрочные и надежные соединения.
Картинки



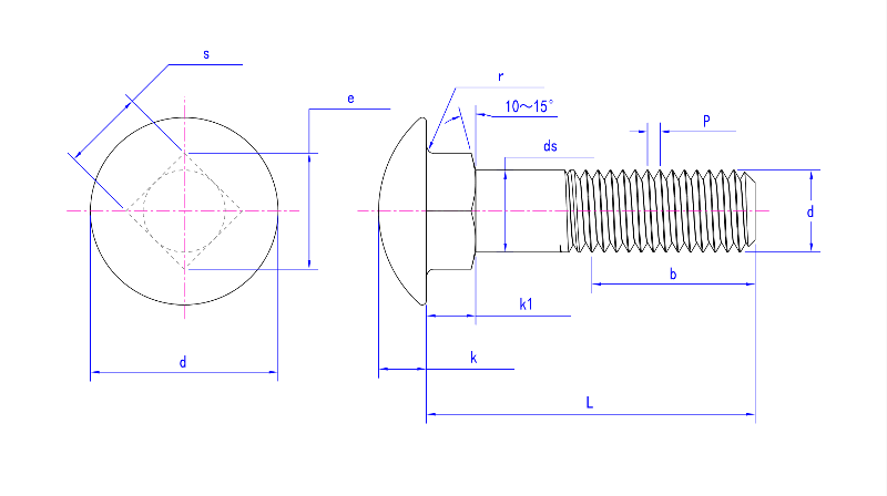
Чертеж продукта
Спецификация продукта
Размер |
Мш |
М8 |
М10 |
М12 |
М14 |
М16 |
М20 |
|
П |
1 |
1.25 |
1.5 |
1.75 |
2 |
2 |
2.5 |
|
со мной |
12.2 |
15.8 |
19.6 |
23.8 |
27.6 |
31.9 |
39.9 |
|
постоянный ток макс. |
14.2 |
18.0 |
22.3 |
26.6 |
30.5 |
35.0 |
43.0 |
|
дс |
Макс |
6 |
8 |
10 |
12 |
14 |
16 |
20 |
мин |
5.21 |
7.04 |
8.86 |
10.68 |
12.50 |
14.50 |
18.16 |
|
е |
Макс |
9.16 |
12.13 |
14.96 |
17.96 |
20.79 |
23.62 |
29.74 |
мин |
7.64 |
10.2 |
12.8 |
15.37 |
17.97 |
20.57 |
25.73 |
|
к |
Макс |
3.6 |
4.8 |
5.8 |
6.8 |
7.9 |
8.9 |
10.9 |
мин |
3 |
4 |
5 |
6 |
7 |
8 |
10 |
|
к1 |
Макс |
3 |
3 |
4 |
4 |
4 |
5 |
5 |
мин |
2.4 |
2.4 |
3.2 |
3.2 |
3.2 |
4.2 |
4.2 |
|
р |
Макс |
0.5 |
0.8 |
0.8 |
0.8 |
1.2 |
1.2 |
1.6 |
мин |
0.2 |
0.4 |
0.4 |
0.4 |
0.6 |
0.6 |
0.8 |
|
с |
Макс |
6.48 |
8.58 |
10.58 |
12.7 |
14.7 |
16.7 |
20.84 |
мин |
5.88 |
7.85 |
9.85 |
11.82 |
13.82 |
15.82 |
19.79 |
|
Немного о нашей компании
Приложение
Компания Jinan Star Company специализируется на производстве крепежных изделий. Наши болты, гайки и другие изделия широко используются в машиностроении, железнодорожном транспорте, автомобилестроении, строительстве, электротехнике, мостах, связи, пожаротушении и других отраслях.
Болты с круглой головкой и квадратным подголовком, управляемыйASME B18.5.2.1M, представляют собой специализированную категорию крепежных изделий, предназначенных для надежных, устойчивых к взлому механических соединений, где необходимы низкопрофильные головки и защита от вращения. Они широко используются в производстве стали, сборке автомобилей, проектировании конструкций и производстве тяжелого оборудования.
В настоящем техническом руководстве рассматриваются технические характеристики материалов, размеры, области применения, допуски, нормативные требования и рекомендации по установке болтов ASME B18.5.2.1M, что обеспечивает правильный выбор, соответствие требованиям и использование в различных отраслях промышленности.
Оглавление
Что такое болты с круглой головкой и коротким квадратным подголовком?
Обзор стандарта ASME B18.5.2.1M
Габаритные характеристики
Материалы и механические свойства
Приложения и инженерные соображения
Инструкции по установке и меры безопасности
Соблюдение нормативных требований и отраслевых стандартов
Распространенные проблемы и стратегии их устранения
Часто задаваемые вопросы (FAQ)
Заключение и профессиональный призыв к действию
1. Что такое болты с круглой головкой и коротким квадратным подголовком?
Болты с круглой головкой и коротким квадратным подголовкомметрический крепежсокруглая, низкопрофильная головаикороткая квадратная шеяпрямо под головой. Квадратный гриф обеспечиваетспособность предотвращения вращенияпутем вставки в предварительно пробитые квадратные отверстия или путем встраивания в мягкие основания, такие как дерево или мягкая сталь.
Ключевые особенности:
Низкопрофильная куполообразная головка(неразъемный)
Короткий квадратный вырез.предотвращает вращение во время затяжки
Обычно используется с гайкой или ввинчивается в резьбовое отверстие.
Метрический дизайнзаASME B18.5.2.1M
Эти болты часто классифицируются какболты с квадратным подголовкомс точки зрения неспециалиста, хотя они и различаются поДлина шеи, высота головы и толерантность к размеруПолем
2. Обзор стандарта ASME B18.5.2.1M
АASME B18.5.2.1MСтандарт управляетразмеры, механические свойства, требования к резьбе и допуски производствадля круглая голова короткая квадратная шея болтов вметрические единицыПолем Он выравнивается с профилями метрических потоков ISO на однуASME B1.13MПолем
Объем ASME B18.5.2.1M:
Номинальные размеры:M5 до M20
Длина:От 12 мм до 150 мм, в зависимости от диаметра
Класс ветки:6G, внешняя метрическая нить
Допуски: ISO 4759-1 для пределов размерных
Материалы и термообработка: ссылка наASTM F568M(для механических свойств)
3. Размерные спецификации
| Размер болта (номинальный) | Диаметр головы (D) | Высота головы (H) | Ширина квадратной шеи (W) | Квадратная высота шеи (т) | Нить шаг |
|---|---|---|---|---|---|
| M6 | 14 мм | 3,4 мм | 6,0 мм | 3,0 мм | 1,0 мм |
| M8 | 18 мм | 4,2 мм | 8,0 мм | 4,0 мм | 1,25 мм |
| М10 | 22 мм | 5,0 мм | 10,0 мм | 4,5 мм | 1,5 мм |
| M12 | 26 мм | 6,0 мм | 12,0 мм | 5,0 мм | 1,75 мм |
| M16 | 35 мм | 8,0 мм | 16,0 мм | 6,0 мм | 2,0 мм |
4. Материалы и механические свойства
Общие материалы:
Углеродистая сталь(Класс 4.6, 5.8, 8.8)
Легированная сталь(термообработанный для прочности)
Нержавеющая сталь(А-70, А4-80)
Оцинкованный, черный оксид, HDG (горячеоцинкованный)покрытия для защиты от коррозии
Механические свойства (согласно ISO 898-1 / ASTM F568M):
| Свойство | Оценка 4,6 | Оценка 8.8 | Нержавеющая сталь А2-70 |
|---|---|---|---|
| Предел текучести | 240 МПа мин. | 640 МПа мин. | 450 МПа мин. |
| Предел прочности | 400 МПа мин. | 800 МПа мин. | 700 МПа мин. |
| удлинение | ≥ 22% | ≥ 12% | ≥ 20% |
Электрогальванизированный(толщина цинкового покрытия 5–8 мкм)
Горячее цинкование(Цинковое покрытие ~50 мкм, для наружного применения)
Покрытие ПТФЭ или дакрометдля химической стойкости
Пассивациядля нержавеющей стали (согласно ASTM A380/A967)
5. Приложения и инженерные соображения
Болты с круглой головкой и коротким квадратным подголовкомособенно эффективны в приложениях, где:
Вибрационное сопротивлениеимеет решающее значение (шея предотвращает спин болта)
Эстетикаматерия (низкопрофильная голова)
Односторонний доступпредпочтительнее (например, приложения сквозного) приложения)
Мягкие материалыкак древесина или алюминий используются (легко пострадает)
Общие отрасли:
Автомобильные кронштейны и панели
Железнодорожные и тяжелые транспортные компоненты
Лифт и эскалатор
Деревянные застежки
Стальные системы обработки
Машино -охранники и панели доступа
Инженерный совет: эти болтыне трансляция крутящего момента, поэтому не используйте в приложениях, требующих участия головы для приложения крутящего момента. Всегда сочетайтесь с подходящим орехом или внутренним членом.
6. Рекомендации по установке и заметки о безопасности
Шаги установки:
ВставлятьБолт в предварительно сбитый круглый или квадратный отверстие.
Аквадратная шеякусает в базовый материал, чтобы предотвратить вращение.
Затянуть отореховая сторонаиспользуя крутящий ключ или ударный драйвер.
Использоватьплоские шайбыПри необходимости для распределения нагрузки на мягких или покрытых поверхностях.
Соображения безопасности:
Избегайте чрезмерной затяжки — проверяйте значения крутящего момента в зависимости от материала и марки.
Не заменяйте стандартные болты с квадратным подголовком на болты ASME B18.5.2.1M в конструкциях, подверженных критическим нагрузкам.
Всегда обеспечивайтешеязаполнен, чтобы предотвратить выкручивание
7. Соблюдение нормативных требований и отраслевых стандартов
| Стандартный | Описание |
|---|---|
| ASME B18.5.2.1M | Размерная спецификация для болтов с круглой головкой и коротким квадратным подголовком (метрическая) |
| ASME B1.13M | Унифицированные допуски метрической резьбы |
| ИСО 898-1 / ASTM F568M | Стандарты механических свойств болтов из углеродистой и легированной стали |
| ИСО 3506 | Классификация болтов из нержавеющей стали |
| RoHS/REACH | Соблюдение требований экологической безопасности и регламентированных веществ |
| EN 15048-1 (опционально) | Маркировка CE и декларация для структурных болтов в сборках без предварительного натяжения |
8. Распространенные проблемы и стратегии их устранения
| Проблема | Вероятная причина | Рекомендуемое решение |
|---|---|---|
| Болт прокручивается во время затяжки | Отверстие слишком большое/шея не зацеплена | Используйте точные перфорированные отверстия, обеспечьте посадку с натягом |
| Коррозия на шейке | Неправильное покрытие или несоответствие экологическим требованиям | Используйте варианты из HDG или нержавеющей стали |
| Деформация головки болта | Установка с чрезмерным ударом | Используйте соответствующие инструменты для контроля крутящего момента. |
| Зачистка резьбы | Использование гаек меньшего размера или несоответствующего размера | Соответствие классу гайки (например, гайка класса 8 с болтом 8,8) |
9. Часто задаваемые вопросы (FAQ)
В1: В чем разница между болтом с круглой головкой и болтом с полукруглой головкой?
Круглая головка имеет форму купола и определяется стандартами ASME B18.5. Кнопочная головка обычно относится к винтам с внутренним шестигранником по стандарту ASME B18.3, часто с внутренним шестигранным приводом.
В2: Можно ли использовать эти болты для соединений стальных конструкций?
Да,если механические свойства соответствуют требованиям проекта(например, класс 8.8), но обеспечить соблюдение соответствующих структурных норм, таких какВ 1090 ГОДУилиАИСК.
В3: Доступны ли индивидуальные длины и покрытия?
Да, большинство сертифицированных производителей предлагаютпользовательские диапазоны длин,сокращение резьбы,специальные покрытия, ипрослеживаемость партии.
В4: Можно ли использовать эти болты повторно?
Их можно повторно использовать в некритических приложениях, если они не повреждены, но длясоединения, критически важные для безопасности или подверженные усталостной нагрузке, рекомендуется заменить после разборки.
В5: Доступны ли чертежи САПР или 3D-модели?
Да. Сертифицированные поставщики обычно предоставляютФайлы STEP, DWG или IGESпо запросу, в соответствии с допусками ASME.
10. Заключение и профессиональный призыв к действию
Болты с круглой головкой и коротким квадратным подголовком (ASME B18.5.2.1M)предложить инженерам и дизайнерамнадежное решение для крепления, исключающее вращениес чистой эстетикой и предсказуемой производительностью. Независимо от того, конструируете ли вы сборные системы, каркас промышленного оборудования или собираете транспортные компоненты, эти болты обеспечивают:
Надежныйсопротивление крутящему моменту через встроенные шейки
Соответствиестрогие стандарты размеров и прочности
Гибкость использования вдерево, пластик, алюминий и мягкая сталь
Антикоррозийные покрытиядля продления срока службы на открытом воздухе



